منتجات
محول 1000 كيلو فولت أمبير
الفولطية المقدرة: 10/0.4 كيلو فولت
تصنيفات الطاقة: 1000 كيلو فولت أمبير
التردد: 50 هرتز
التقييم الحالي: 57.7/1443.4A
مجموعة الاتصال: Dyn11
طريقة التبريد: أونان
تيار عدم التحميل: أقل من أو يساوي 0.3%
ميزات
مواصفات محولات 1000 كيلو فولت أمبير
|
الفولطية |
10/0.4 كيلو فولت |
|
تقييمات الطاقة |
1000 كيلو فولت أمبير |
|
تكرار |
50 هرتز |
|
محول 1000 كيلو فولت أمبير إلى أمبير |
57.7/1443.4A |
|
مجموعة الاتصال |
داين11 |
|
طريقة التبريد |
على |
|
عدم التحميل الحالي |
أقل من أو يساوي 0.3% |
|
فقدان عدم التحميل |
أقل من أو يساوي 1.15 كيلو واط |
|
مقاومة المحولات 1000 كيلو فولت أمبير (75 درجة) |
4.5% |
|
فقدان الحمل (75 درجة) |
أقل من أو يساوي 10.30 كيلو واط |
|
الخسارة الإجمالية (75 درجة) |
أقل من أو يساوي 11.45 كيلو واط |
|
قيمة النفط BDV |
أكبر من أو يساوي 35 كيلو فولت |
|
ارتفاع درجة الحرارة |
65K |
|
الإضاءة الدافع الجهد |
الموجة الكاملة: 75 كيلو فولت. الموجة المروحية: 85 كيلو فولت |
|
مستوى الضوضاء |
أقل من أو يساوي 62 ديسيبل |
|
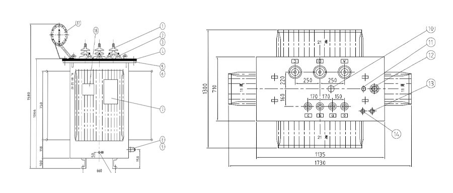
أبعاد المحولات 1000 كيلو فولت أمبير |
1730*1300*1580 مللي متر |
|
محول 1000 كيلو فولت أمبير بسعر Oltc |
USD7*28.٪7b٪7b2٪7d٪7d٪2fSET |
رسم محولات 1000 كيلو فولت أمبير

الوسم : محول 1000 كيلو فولت أمبير، الصين، الموردين، الشركات المصنعة، مصنع، شراء، السعر، للبيع
قد يعجبك ايضا
إرسال التحقيق




